WATER FILTRATION
FilterJet 500
Self-contained unit with stainless steel self-cleaning filtration system and onboard ozone recirculation. Supplies up to 125 gallons per minute with three inch inlet option. Filtration down to 25 microns absolute with 10 microns optional. Ozone recirculation system is complete with oxygen concentrator, ozone generator, mazzei ozone injector and recirculation pump to provide 25 gpm of ozonated water out to your treatment tanks. Ozone removes VOC’s, organics, biologicals and hydrocarbons from the treatment water providing disinfection, odor and color removal. See tanking data sheet for example treatment tanks.



Electrical Drawings
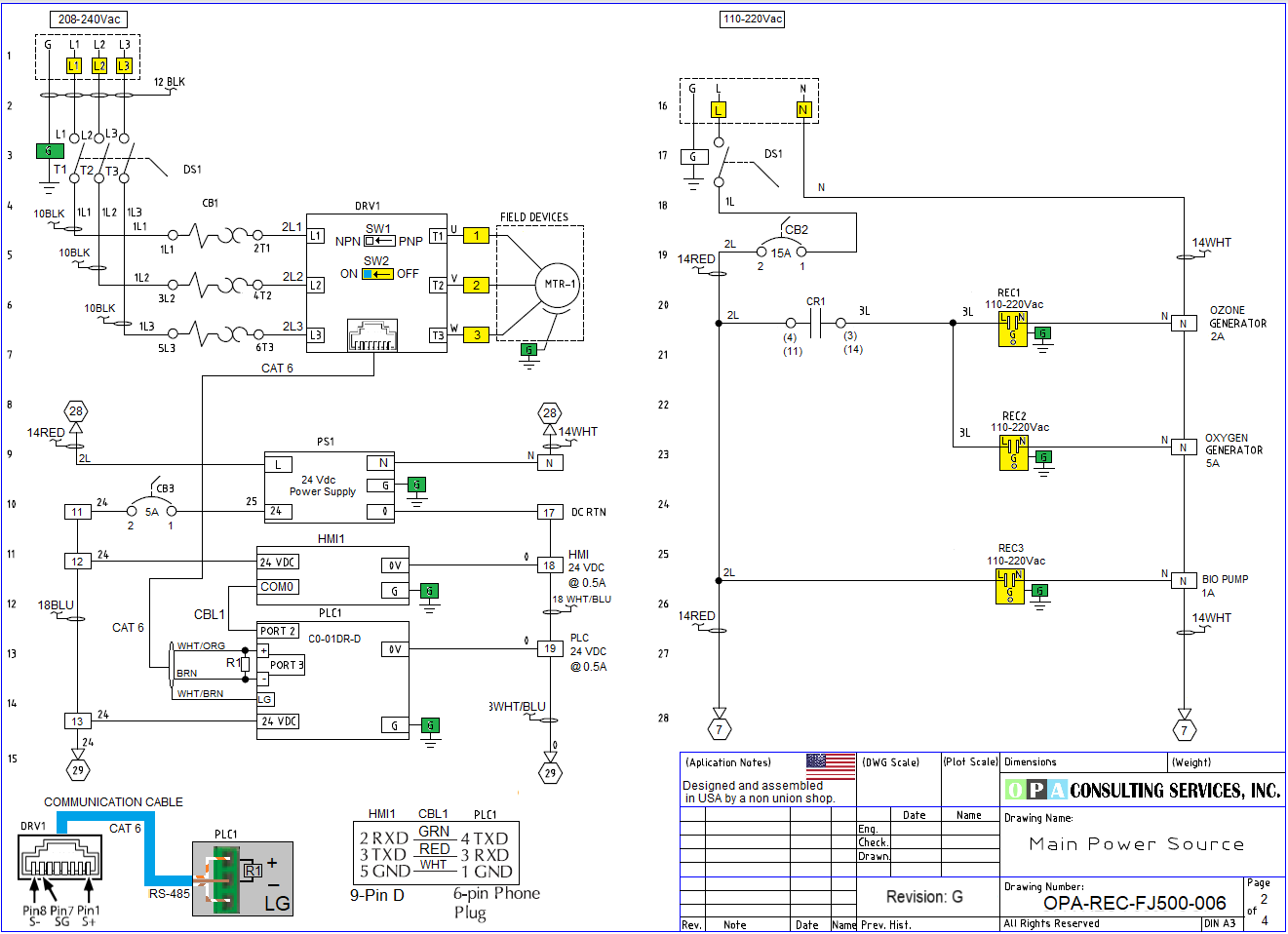
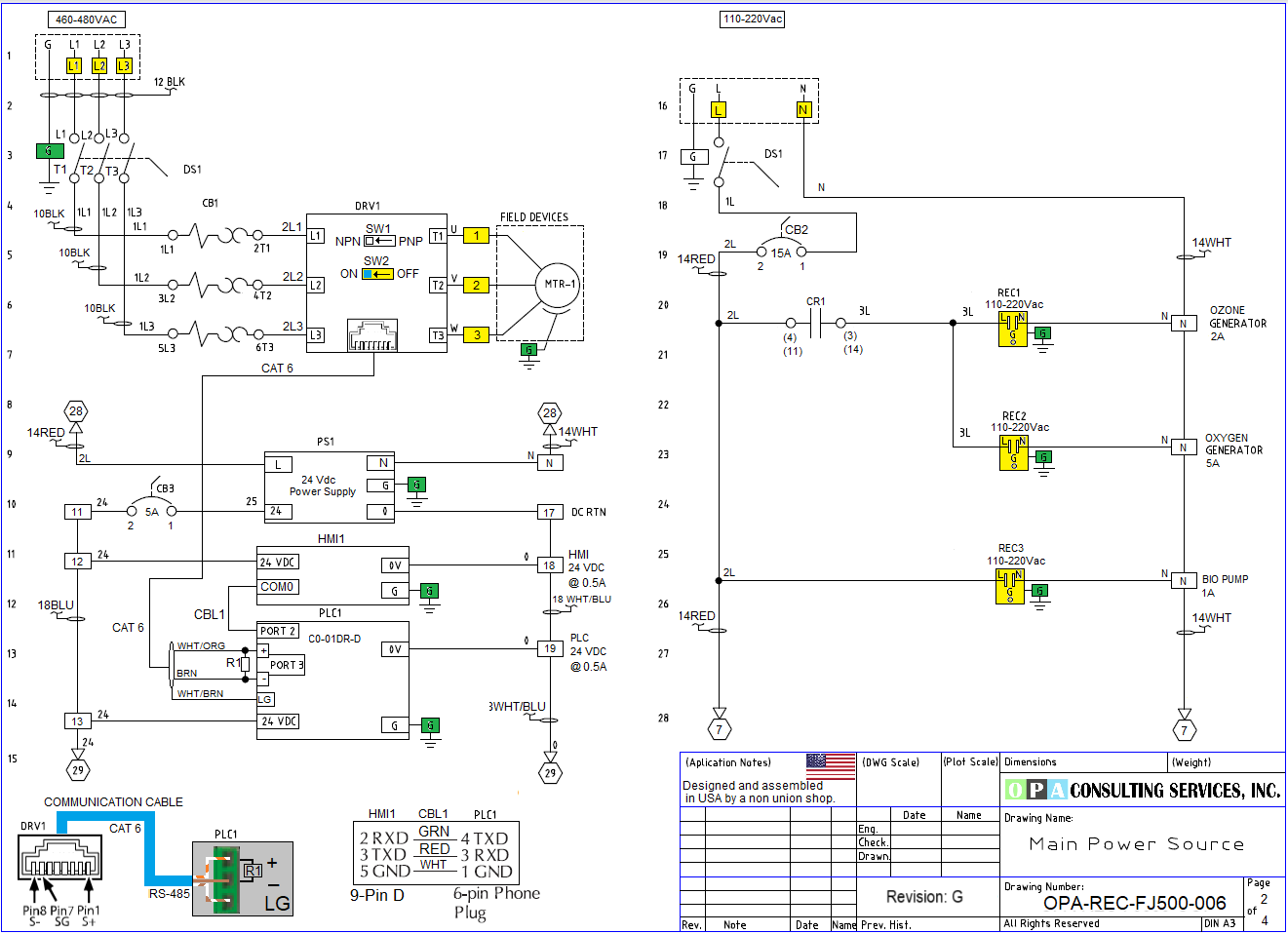
208-240Vac 3 Phase Panel Drawings ... ... Use the Right Click on your mouse and select Save Picture As... to Copy it to your PC for better viewing.

Panel Drawing ... Use the Right Click on your mouse and select Save Picture As... to Copy it to your PC for better viewing.

Panel Drawing ... Use the Right Click on your mouse and select Save Picture As... to Copy it to your PC for better viewing.

Panel Drawing ... Use the Right Click on your mouse and select Save Picture As... to Copy it to your PC for better viewing.

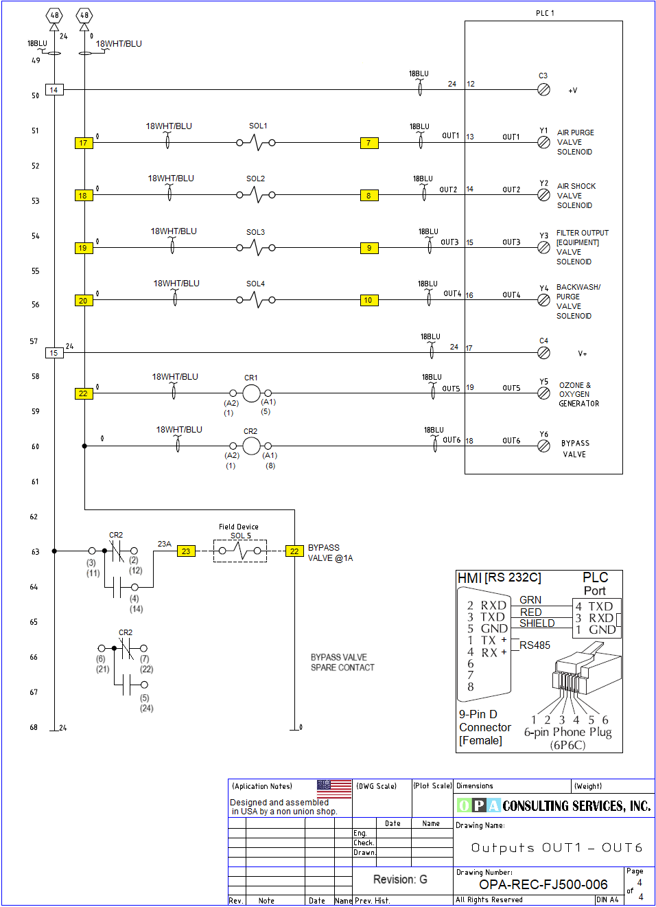
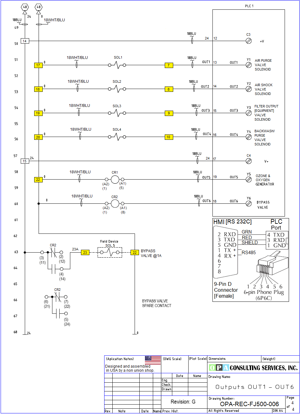
Electrical Drawings
380-480Vac 3 Phase Panel Drawings ... ... Use the Right Click on your mouse and select Save Picture As... to Copy it to your PC for better viewing.

Panel Drawing ... Use the Right Click on your mouse and select Save Picture As... to Copy it to your PC for better viewing.

Panel Drawing ... Use the Right Click on your mouse and select Save Picture As... to Copy it to your PC for better viewing.

Panel Drawing ... Use the Right Click on your mouse and select Save Picture As... to Copy it to your PC for better viewing.

Screen Shots
The following pictures will describe in general the operation of the control system.










Self Cleaning Multi-Hydrocyclone
Finally a simple robust reclaim system that will not break the bank. Save up to 120 gallons per minute, with the dual element system, with 32 internal hydrocyclones to spin the dirt right out of your wash water. Clear Lexan bowls let you see the removed particulate. Graphic PLC monitors the system, providing water on demand and performs the self cleaning function. When not needed the VFD controlled high efficiency motor slows to recirculation mode. Optional ozone removes color and odor and the optional bio control gets rid of surfactants, keeping your storage tank water fresh. Slim design fits easily into most equipment rooms or wash bays.
• H: 54 " , L: 20 ", W: 66 " H weight 615 lb (shipping weight 740 lb).
• Input power: 208/230/480 volt, 3 phase @ 13.1 / 11.5 / 5.7 amp max (50 or 60 hz).
• Control Power: 115 vac, 60 hz 2.5 amp, or 230 vac 50 hz 1.25 amp.
• Automatic Control: On/OFF/Automatic push button control with display screen.
• Primary Pump: 3 or 5 HP pump, 120 GPM @ 65 max PSI.
• Particulate Separator: 16 or 32 Self-Purging Vortex Filters with clear Lexan bowl.
• Inlet filtration: Oversized Stainless Steel Cleanable Basket Strainer lint filter.
• Primary Filtration: single or dual element cyclonic separators with filtration down to 10 micron.
• Water Inlet: 3" FNPT.
• Filtered Water Outlet: 2" FNPT.
• Purge Outlet: 1.5" FNPT.
• Self Cleaning Cycle Time: 7 seconds.
• Recirculation via 1" FNPT preset pressure regulator valve on.
• Purge Outlet: 1.5" FNPT.

Ultra Filtration Membrane System
U.F. or Ultra Filtration membranes produce .02 microns quality water suitable for most applications. While flow rates are lower than our FilterJet the quality is good enough to feed Reverse Osmosis and other devices without fouling. Systems from one to six gallons per minute. Please call a product specialist to help size a system that will best suit your needs.
• Technology proven to eliminate need for discharge to sewer.• Self Cleaning membrane technology makes clean water from sump water.
• Water filtered to .02 microns.
• Perfect for all wash and pre-rinse applications.
• Add ozone to disinfect and remove color.
• 18 membrane averages 2200 GPD (gallons per day)
• 24 membrane averages 3600 GPD
• Pumping station, automated controls and stand included

Pump Control Panels
Customizable to your process control requirements

Customizable HMI Graphics.
