WATER FILTRATION CONTROL PANELS
· Self Cleaning Multi-Hydrocyclone
Self Cleaning Multi-Hydrocyclone
Finally a simple robust reclaim system that will not break the bank. Save up to 120 gallons per minute, with the dual element system, with 32 internal hydrocyclones to spin the dirt right out of your wash water. Clear Lexan bowls let you see the removed particulate. Graphic PLC monitors the system, providing water on demand and performs the self cleaning function. When not needed the VFD controlled high efficiency motor slows to recirculation mode. Optional ozone removes color and odor and the optional bio control gets rid of surfactants, keeping your storage tank water fresh. Slim design fits easily into most equipment rooms or wash bays. The HMI comes with a 65,536 color display that gives your touch screen rich color and incomparable resolution. With the integration of a powerful 400 MHz 32-bit RISC processor, the HMI provides faster processing speeds. Each HMI supports simultaneous communications via its multiple serial ports, so that you may connect to numerous controllers. We also used a new enclosured made by Integra. This injection-molded, engineered thermoplastics enclosure , is designed to provide the best combinations of strength, durability, design features, and aesthetics

Self Cleaning Multi-Hydrocyclone PN: OPA-REC-CSS-600 [UL Listed]
OP1:REC/003100
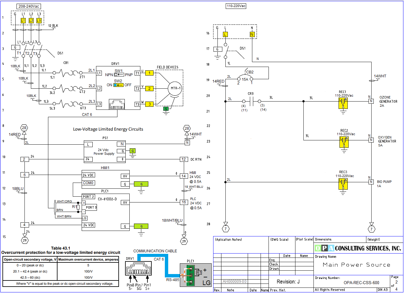
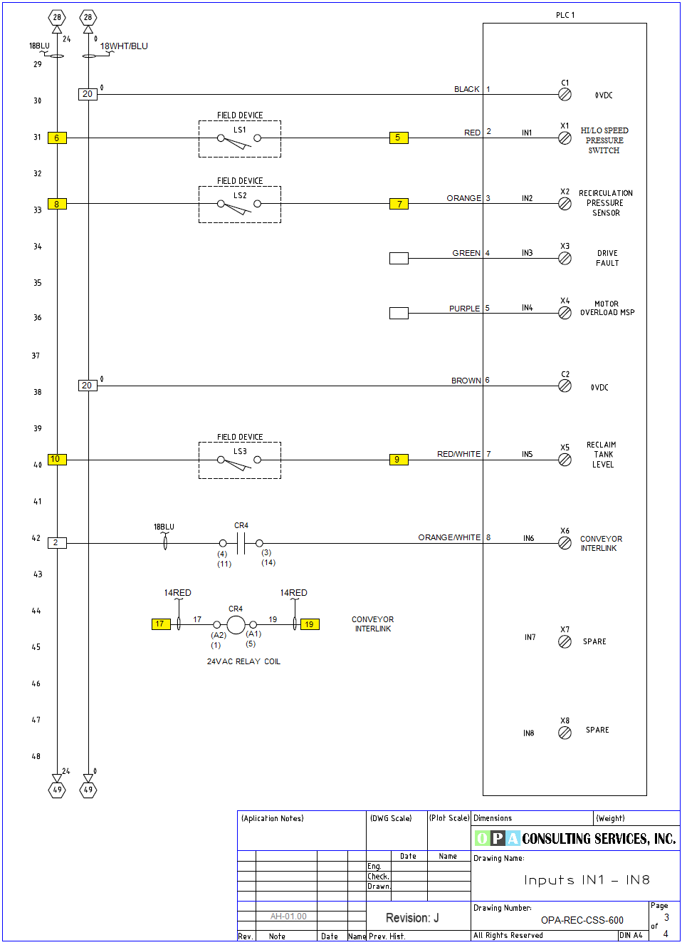
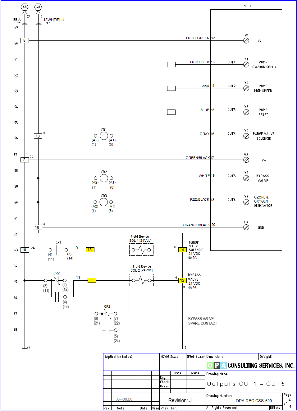
208-240Vac 3 Phase Panel Drawings ... Use the Right Click on your mouse and select Save Picture As... to Copy it to your PC for better viewing.

Panel Drawing ... Use the Right Click on your mouse and select Save Picture As... to Copy it to your PC for better viewing.

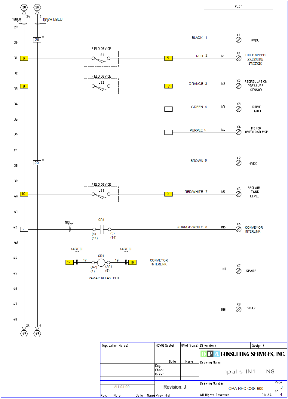
Panel Drawing ... Use the Right Click on your mouse and select Save Picture As... to Copy it to your PC for better viewing.

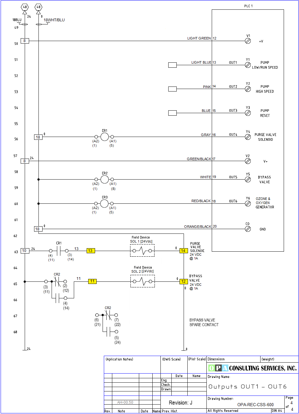
Panel Drawing ... Use the Right Click on your mouse and select Save Picture As... to Copy it to your PC for better viewing.

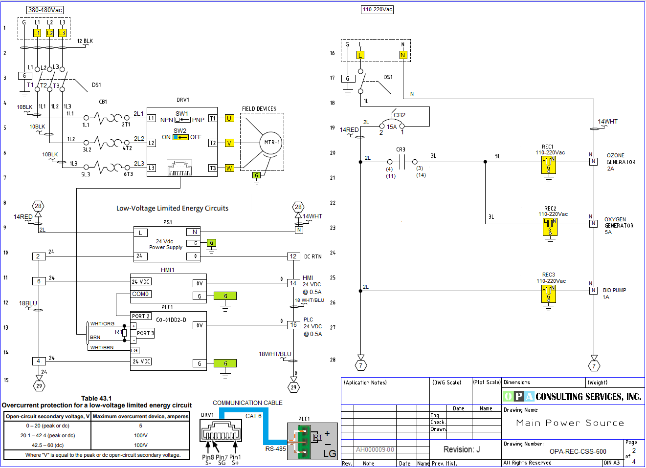
380-4800Vac 3 Phase Panel Drawings ... Use the Right Click on your mouse and select Save Picture As... to Copy it to your PC for better viewing.

Panel Drawing ... Use the Right Click on your mouse and select Save Picture As... to Copy it to your PC for better viewing.

Panel Drawing ... Use the Right Click on your mouse and select Save Picture As... to Copy it to your PC for better viewing.

Panel Drawing ... Use the Right Click on your mouse and select Save Picture As... to Copy it to your PC for better viewing.

Screen Shots
The following pictures will describe in general the operation of the control system.







