UF CERAMIC MEMBRANE CONTROL PANELS
· Self Cleaning Multi-Hydrocyclone
UF Ceramic Membrane
Finally a simple robust UF Ceramic Membrane system that will not break the bank. The HMI comes with a 65,536 color display that gives your touch screen rich color and incomparable resolution. With the integration of a powerful 400 MHz 32-bit RISC processor, the HMI provides faster processing speeds. Each HMI supports simultaneous communications via its multiple serial ports, so that you may connect to numerous controllers. We also used a new enclosured made by Integra. This injection-molded, engineered thermoplastics enclosure , is designed to provide the best combinations of strength, durability, design features, and aesthetics
OP1:REC/001800


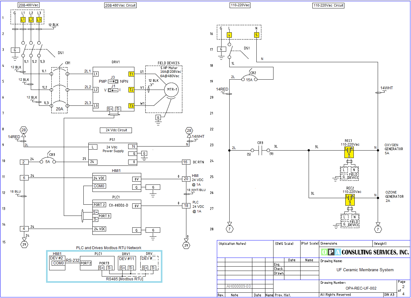
Panel Drawing ... Use the Right Click on your mouse and select Save Picture As... to Copy it to your PC for better viewing.

Panel Drawing ... Use the Right Click on your mouse and select Save Picture As... to Copy it to your PC for better viewing.

Panel Drawing ... Use the Right Click on your mouse and select Save Picture As... to Copy it to your PC for better viewing.

Panel Drawing ... Use the Right Click on your mouse and select Save Picture As... to Copy it to your PC for better viewing.

Screen Shots
The following pictures will describe in general the operation of the control system.








