Reactor Controller
Please click on the You Tube™ Link below to watch a short video on the Line Supervisory Control and Monitoring System.
♦ Extraction Booth Controller Demo
Extraction Booth Controller with Modbus RTU Communication.
REACTOR CONTROL PANEL
Our Reactor Controller is designed to control the Mixer Motor, Liquid Heaters and Circulating Pumps with variable speed drives to offer reliable, economic, automatic control with a number of user friendly features.
New free Apple iOS application available from iTunes store called 'PACDATA', PAC Data Remote Monitor App allows the user to connect to remote PAC systems from a Wi-Fi, or cellular network connection. The Remote user can monitor the local PAC system and user tags configured for remote access inside the tag database of the AutomationDirect Productivity 1000 CPU.
Go Green Energy Use
• VFDs reduce energy demands and save on operating costs.• VFDs efficiently control motors to exhaust harmful gases.
208-240 Vac, 3 Phase, 50/60 Hz.

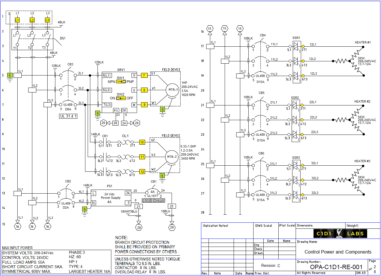
Panel Drawing ... Use the Right Click on your mouse and select Save Picture As... to Copy it to your PC for better viewing.

Panel Drawing ... Use the Right Click on your mouse and select Save Picture As... to Copy it to your PC for better viewing.

Panel Drawing ... Use the Right Click on your mouse and select Save Picture As... to Copy it to your PC for better viewing.

Panel Drawing ... Use the Right Click on your mouse and select Save Picture As... to Copy it to your PC for better viewing.

Panel Drawing ... Use the Right Click on your mouse and select Save Picture As... to Copy it to your PC for better viewing.

Panel Drawing ... Use the Right Click on your mouse and select Save Picture As... to Copy it to your PC for better viewing.

Panel Drawing ... Use the Right Click on your mouse and select Save Picture As... to Copy it to your PC for better viewing.

Panel Drawing ... Use the Right Click on your mouse and select Save Picture As... to Copy it to your PC for better viewing.

Panel Drawing ... Use the Right Click on your mouse and select Save Picture As... to Copy it to your PC for better viewing.
• 22mm Industrial Strength Two-Position Selector Switches.• Easy to use Two Button Controls.
• PLC for internal logic control.
• VFD for fan motor controls.
• Low-voltage control[24Vdc].
• NEMA Enclosure.
• UL 508A Listed [Optional].
• Built at our facility in North Carolina, USA by a NON UNION SHOP.
PRICE: Please call C1D1 experts at 510-421-9021 or send us an E-Mail.
Authorized Sales Distributor:C1D1 Labs LLC
REACTOR CONTROLLER HMI SCREEN DESCRIPTIONS
The following pictures will describe in general the operation of the control system.
Startup Screen
This is the first screen that appears when power is turned on. It displays the software version of the PLC (Programmable Logic Controller) and the HMI (Human-Machine Interface), and it only last seconds.

Main Menu Page 1-3
This screen is the home/default process monitoring screen when the system is running. The command speed is the speed set points that are located in the SETUP p.1 screen to be described later. It also has an alarm bar at the bottom, displaying the alarms as they happen. The screen changing buttons ate at the very bottom of this screen.
The MAIN p.1 the Temperature Actual and Set Points of the Jacket and Product temperatures can be set and viewed. Also the Mixer Speed Actual Value and Setpoint can be viewed and adjusted. The heaters 1-3 must be Enabled with the Soft Keys on the right side of the screen in order to function properly when the Circulate Pimp is turned on from the Control Panel physical Pus Buttons adjacent to the HMI [Color Touch Screen]. In order for the heaters to function the Circulating Pump must be running.
The MAIN p.2 has a timer function the can be used to stop the pump/Heaters and or the Mixer Motor.
The MAIN p.3 is where the temperature PID parameters are set. Do not change these parameters unless the temperature loop does not perform to your standards. Please have knowledge of how a PID loop works before attempting to modify these parameters. The PWM [Pulse Width Modulation] parameters can be modified as well on the second/bottom part of this scree. The PWM controls the pulsing frequency of the Solid State Heater Relays 1-3, just like the PID Loop parameters, do not change or alter them in any way unless the heaters are not performing to your standards.
Trend Menu
This Real Time Trend Screen displays the Jacket and the Product Temperature Actual values and Set Point Temperature values in Degrees Celsius.
Service Page 1-3
This SERVICE pages are intended for an electrical technician to aid in the troubleshooting of the system.
The SERVICE p.1 shows the state of the PLC Inputs.
The SERVICE p.2 shows the state of the PLC Outputs.
The SERVICE p.3 exits to the HMI setup parameters .... don't exit unless instructed to do so.
Setup Page 1
The SETTINGS pages 1-4 is where one enters the pertinent setup/data information.
The SETTINGS p.1 is where the temperature PID parameters are set. Do not change these parameters unless the temperature loop does not perform to your standards. Please have knowledge of how a PID loop works before attempting to modify these parameters. The Jacket Setpoint can only be changed from the MAIN menu page 1. The Setpoint is only viewable on this page.
The SETTINGS p.2 The PWM [Pulse Width Modulation] parameters can be modified. The PWM controls the pulsing frequency of the Solid State Heater Relays 1-3, just like the PID Loop parameters, do not change or alter them in any way unless the heaters are not performing to your standards. Also the capability to Restores all values to factory settings... will delete custom settings set by the user.
The SETTINGS p.3 is where the one can View /Set Mixer Acceleration, Deceleration, Speed and View Current RPMs, and Fault Codes. Also the capability to Restores all values to factory settings... will delete custom settings set by the user.
The SETTINGS p.4 is where the one can View /Set the HMI Time and Date and also the VFD Drive Modbus RTU Communication polling rate.
The SETTINGS p.5 restores all values to Factory Settings... will delete Custom Settings set by the User.
