Paint Booth Control
· Standard · Custom Options Available
Paint Booth Control Panels
This System is a very simple fan and lighting control unit. It runs reliably and smoothly for convenient and precise operation. We use the best and UL certified components. Designed with you "the customer" in mind offering an easy to use system and less maintenance so you can spend more time focusing on your business rather than worrying about your equipment. We do recommend a Licensed Electrician to install the panel.

• NEMA 1 or 4 Enclosure.
• Optional UL 508A Listed.
• ISO 9000 Certified Control Components.
• 22mm Industrial Strength Two-Position Selector Switches.
• Built at our facility in North Carolina, USA by a NON UNION SHOP.
Authorized Sales Distributor:Merchant1Manufacturing

| Dayton/ Grainger Part No. | Motor HP | Customer Input Voltage | Motor Supply Voltage | Fixture 3XY97 Voltage | Part Number |
|---|---|---|---|---|---|
| 7AF77 | 1/2 | 208Vac, 2Φ | 208Vac, 2Φ | 208Vac, 1Φ | 1H-208V-2P-04-06A-UL |
| 7AF79 | 2 | 208Vac, 2Φ | 208Vac, 2Φ | 208Vac, 1Φ | 2H-208V-2P-09-12A-UL |
| 7AF79 | 2 | 115Vac, 1Φ | 115Vac, 1Φ | 115Vac, 1Φ | 2H-115V-1P-16-24A-UL |
| 7F830 | 1/2 - 1 | 208Vac, 3Φ | 208Vac, 3Φ | 208Vac, 1Φ | 2H-208V-3P-04-06A-UL |
| 7F830 | 1/2 - 1 | 240Vac, 3Φ | 240Vac, 3Φ | 240Vac, 1Φ | 2H-240V-3P-04-06A-UL |
| 7F831 | 2 | 208Vac, 3Φ | 208Vac, 3Φ | 208Vac, 1Φ | 2H-208V-3P-04-06A-UL |
| 7F831 | 2 | 240Vac, 3Φ | 240Vac, 3Φ | 240Vac, 1Φ | 2H-240V-3P-04-06A-UL |
| 7F832 | 3 | 208Vac, 3Φ | 208Vac, 3Φ | 208Vac, 1Φ | 3H-208V-3P-06-10A-UL |
| 7F832 | 3 | 240Vac, 3Φ | 240Vac, 3Φ | 240Vac, 1Φ | 3H-240V-3P-06-10A-UL |
| 7F842 | 3 | 208Vac, 3Φ | 208Vac, 3Φ | 208Vac, 1Φ | 3H-208V-3P-06-10A-UL |
| 7F842 | 3 | 208Vac, 3Φ | 208Vac, 3Φ | 208Vac, 1Φ | 3H-208V-3P-06-10A-UL |
| 7F842 | 3 | 240Vac, 3Φ | 240Vac, 3Φ | 240Vac, 1Φ | 3H-240V-3P-06-10A-UL |
| 7F927 | 3 | 208Vac, 2Φ | 208Vac, 2Φ | 208Vac, 1Φ | 3H-208V-2P-06-10A-UL |
Paint Booth Control Panel for 1-5 HP fan, lighting, comp. air solonoid & fire suppression controls [Requires 120Vac & 208-240Vac/380-480Vac].

OP2-5:M1M/000-580
Panel Drawing ... Use the Right Click on your mouse and select Save Picture As... to Copy it to your PC for better viewing.

Paint Booth Control Panel for 1-5 HP fan & lighting controls [208-240Vac or 460-480Vac].

Panel Drawing ... Use the Right Click on your mouse and select Save Picture As... to Copy it to your PC for better viewing.

Panel Drawing ... Use the Right Click on your mouse and select Save Picture As... to Copy it to your PC for better viewing.

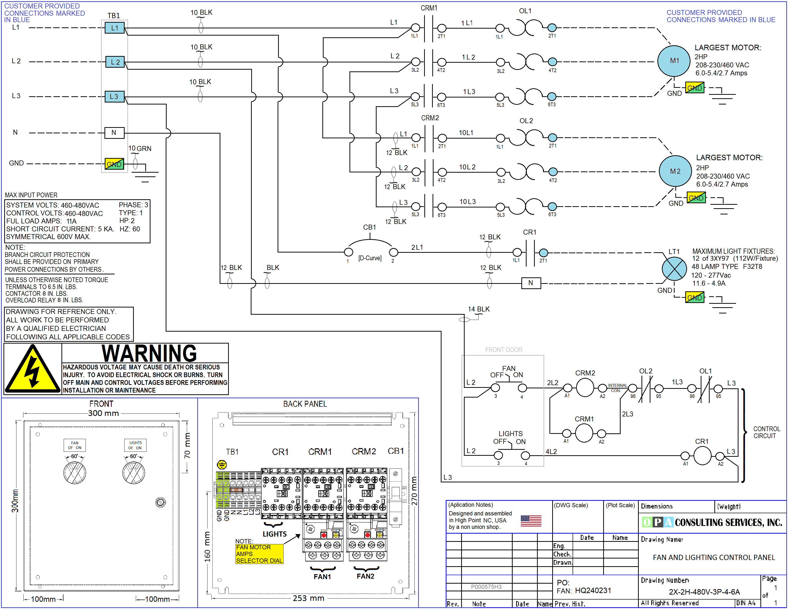
Paint Booth Control Panel for Dual 1-5 HP fans & lighting controls [208-240Vac].

Panel Drawing ... Use the Right Click on your mouse and select Save Picture As... to Copy it to your PC for better viewing.

Paint Booth Control Panel for 2-3 HP (VFD) fan & lighting controls [208-240Vac].

OP2:M1M/000-690
OP3:M1M/000-750
Panel Drawing ... Use the Right Click on your mouse and select Save Picture As... to Copy it to your PC for better viewing.

Paint Booth Control Panel for 5 HP (VFD) fan & lighting controls [208-240Vac].

OP7.5: M1M/000-1100
Panel Drawing ... Use the Right Click on your mouse and select Save Picture As... to Copy it to your PC for better viewing.

Paint Booth Control Panel for 2 HP (VFD) fan & lighting controls [380-480Vac ].

Panel Drawing ... Use the Right Click on your mouse and select Save Picture As... to Copy it to your PC for better viewing.
