VFD Constant Pressure Pump Controller
· Standard · Custom [VFD Options]
DUAL VFD CONSTANT PRESSURE PUMP CONTROLLER
Our Constant Pressure Controller is designed to control pump motors via pressure sensors that can run one to two pumps in a dynamic alternating lead-lag control algorithm. This unique functionality lets the controller automatically skip pumps that are at fault or in service, switching the lead pump on the fly [based on pump run time hours]. Utilizing Modbus RTU distributed control to control Pump VFDs via color touchscreen operator interface.
• 22mm Industrial Strength Two-Position Selector Switches.• Color touchscreen operator interface.
• Low-voltage control[24Vdc].
• NEMA 4 Enclosure.
• UL 508A Listed [Optional].
• Built at our facility in North Carolina, USA by a NON UNION SHOP.
208-480 Vac, 1/3 Phase, 50/60 Hz.

S100 & M100 Series, LS Electric VFDs

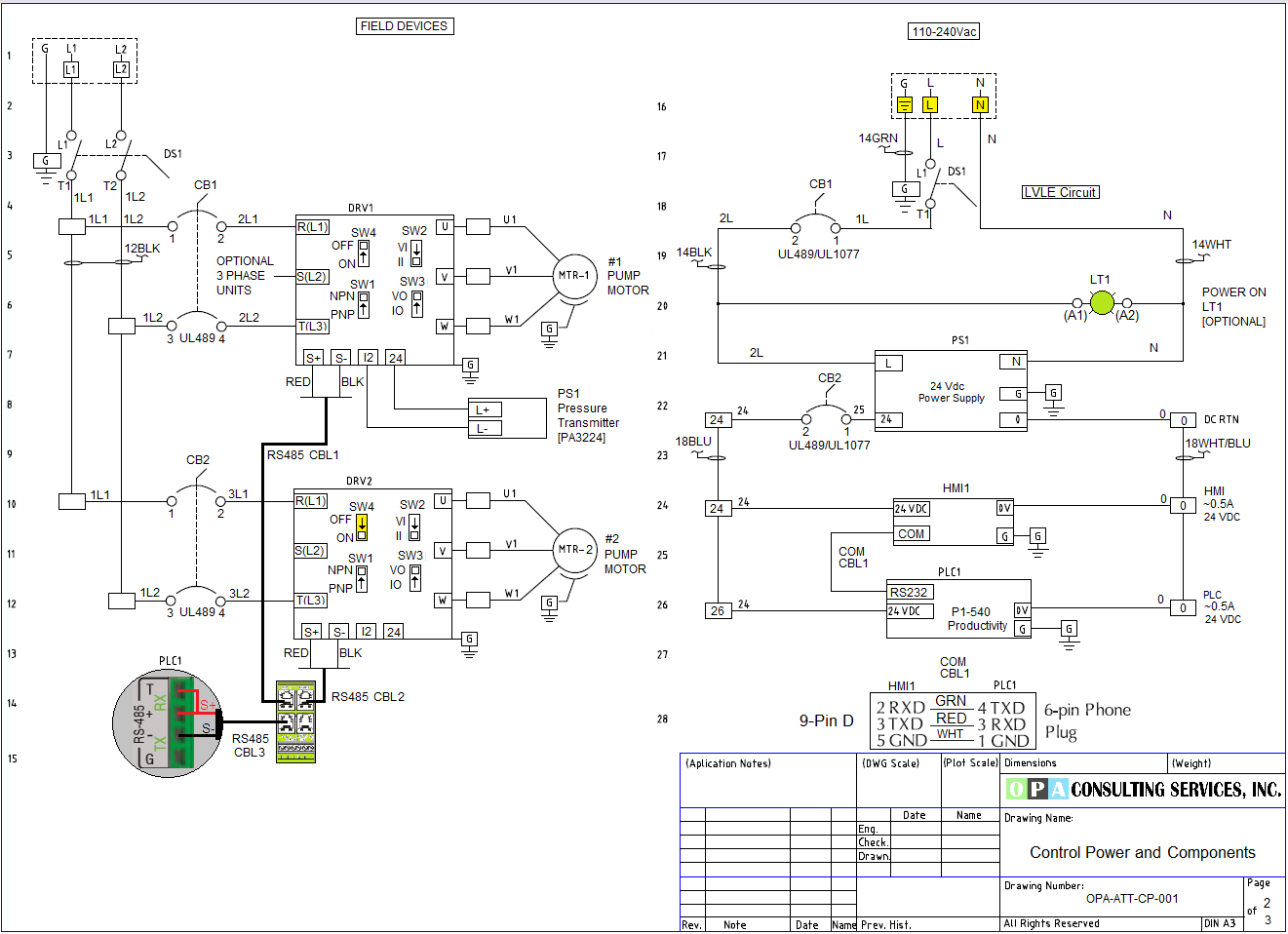
Panel Drawing ... Use the Right Click on your mouse and select Save Picture As... to Copy it to your PC for better viewing.

Panel Drawing ... Use the Right Click on your mouse and select Save Picture As... to Copy it to your PC for better viewing.

Panel Drawing ... Use the Right Click on your mouse and select Save Picture As... to Copy it to your PC for better viewing.
Invertek P2, Series VFDs

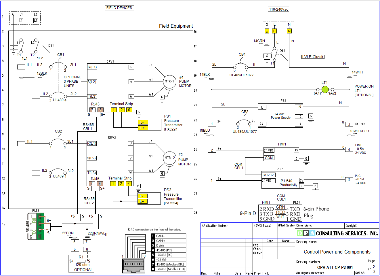
Panel Drawing ... Use the Right Click on your mouse and select Save Picture As... to Copy it to your PC for better viewing.

Panel Drawing ... Use the Right Click on your mouse and select Save Picture As... to Copy it to your PC for better viewing.

Panel Drawing ... Use the Right Click on your mouse and select Save Picture As... to Copy it to your PC for better viewing.
With Dual 5HP VFDs, 208-480 Vac, 1/3 Phase, 50/60 Hz.

S100 & M100 Series, LS Electric VFDs

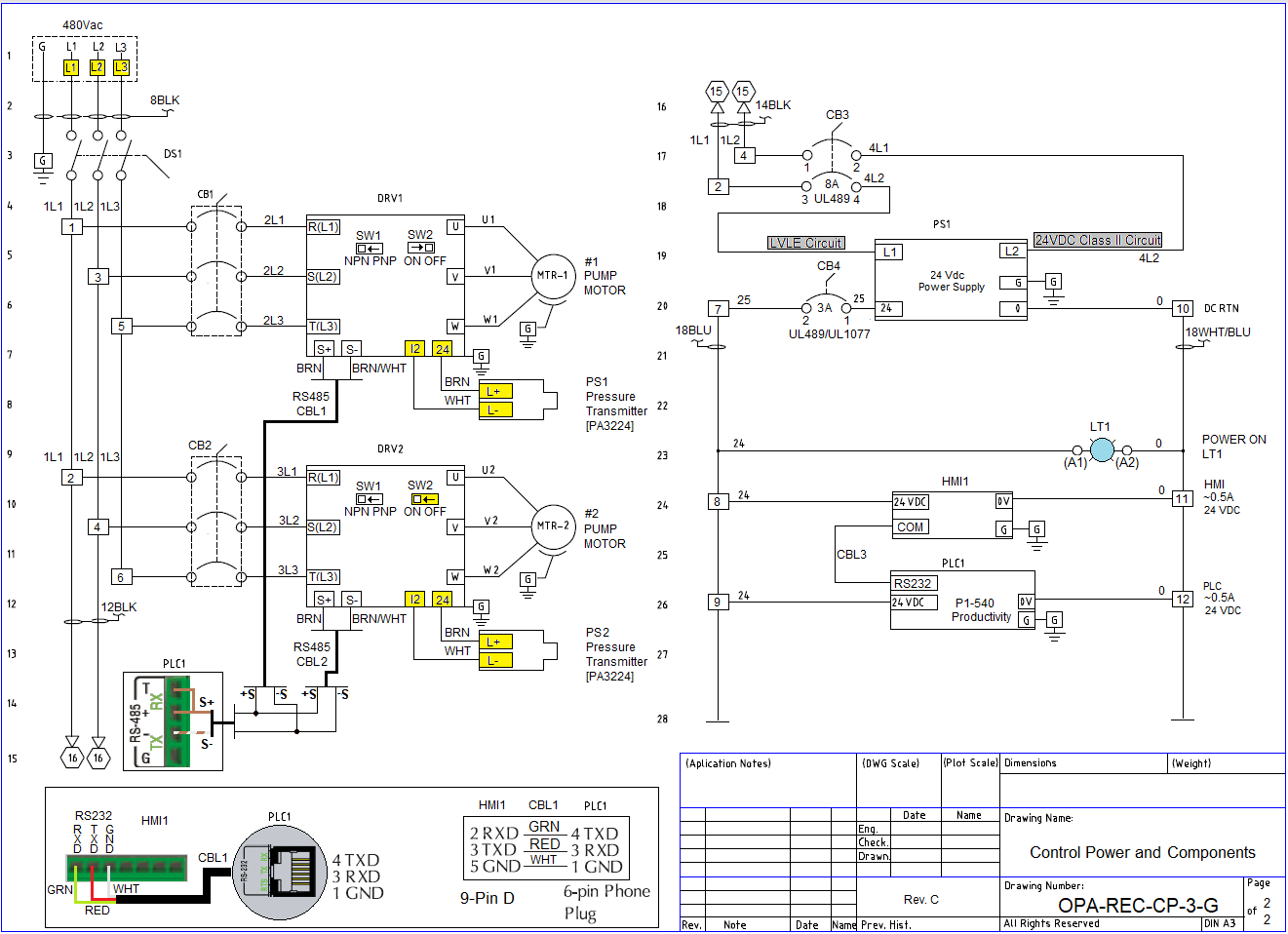
Panel Drawing ... Use the Right Click on your mouse and select Save Picture As... to Copy it to your PC for better viewing.

Panel Drawing ... Use the Right Click on your mouse and select Save Picture As... to Copy it to your PC for better viewing.
SINGLE VFD CONSTANT PRESSURE PUMP CONTROLLER
Our Constant Pressure Controller is designed to control pump motors via pressure sensor that can run one pump with PID control.
• 22mm Industrial Strength Two-Position Selector Switches.• Low-voltage control[24Vdc].
• NEMA 4 Enclosure.
• UL 508A Listed [Optional].
• Built at our facility in North Carolina, USA by a NON UNION SHOP.
208-480 Vac, 1/3 Phase, 50/60 Hz.

LS Electric S100 & M100 Series

Panel Drawing ... Use the Right Click on your mouse and select Save Picture As... to Copy it to your PC for better viewing.

Panel Drawing ... Use the Right Click on your mouse and select Save Picture As... to Copy it to your PC for better viewing.

Panel Drawing ... Use the Right Click on your mouse and select Save Picture As... to Copy it to your PC for better viewing.

Panel Drawing ... Use the Right Click on your mouse and select Save Picture As... to Copy it to your PC for better viewing.

Panel Drawing ... Use the Right Click on your mouse and select Save Picture As... to Copy it to your PC for better viewing.
LS Electric H100 Series

Panel Drawing ... Use the Right Click on your mouse and select Save Picture As... to Copy it to your PC for better viewing.

Panel Drawing ... Use the Right Click on your mouse and select Save Picture As... to Copy it to your PC for better viewing.

Panel Drawing ... Use the Right Click on your mouse and select Save Picture As... to Copy it to your PC for better viewing.

Panel Drawing ... Use the Right Click on your mouse and select Save Picture As... to Copy it to your PC for better viewing.

Panel Drawing ... Use the Right Click on your mouse and select Save Picture As... to Copy it to your PC for better viewing.