Constant Pressure Pump Control
· Standard · Custom [VFD Options]
CONSTANT PRESSURE PUMP CONTROL PANELS
Our Constant Pressure Controller is designed to control pump motors via pressure switches with variable debounce timer settings offers reliable, economic, automatic control with a number of user friendly features. A build in Warning alarm is also offered as a standard with the facility for a Auto-Bypass Switch and Motor Overload Reset Push Button.
208-480 Vac, 1/3 Phase, 50/60 Hz.

Panel Drawing ... Use the Right Click on your mouse and select Save Picture As... to Copy it to your PC for better viewing.

Panel Drawing ... Use the Right Click on your mouse and select Save Picture As... to Copy it to your PC for better viewing.

Panel Drawing ... Use the Right Click on your mouse and select Save Picture As... to Copy it to your PC for better viewing.

Panel Drawing ... Use the Right Click on your mouse and select Save Picture As... to Copy it to your PC for better viewing.

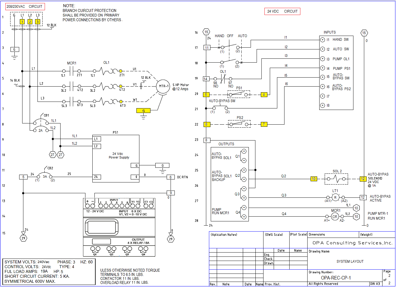
208-240 Vac, 1/3 Phase, 50/60 Hz. [Legacy System...Discontinued]

Panel Drawing ... Use the Right Click on your mouse and select Save Picture As... to Copy it to your PC for better viewing.

Panel Drawing ... Use the Right Click on your mouse and select Save Picture As... to Copy it to your PC for better viewing.

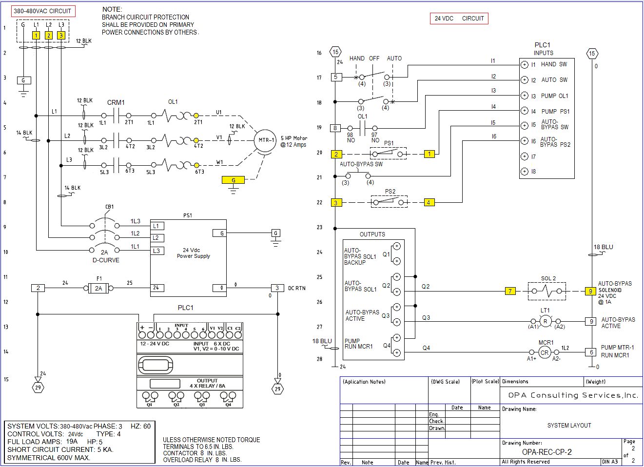
380-480 Vac, 3 Phase, 50/60 Hz. [Legacy System...Discontinued]

Panel Drawing ... Use the Right Click on your mouse and select Save Picture As... to Copy it to your PC for better viewing.

Panel Drawing ... Use the Right Click on your mouse and select Save Picture As... to Copy it to your PC for better viewing.

• Easy to use Two Button Controls.
• c3controls Series 900 Smart Programmable Relay for internal logic control.
• IEC motor contactor.
• Motor overload and overheat protection connections.
• Low-voltage control[24Vdc].
• Suitable for use with differential type float switches or pressure switches.
• Red Auto-Bypass Active indicator and Alarm light.
• NEMA 4 Enclosure.
• UL 508A Listed [Optional].
• Built at our facility in North Carolina, USA by a NON UNION SHOP.
PRICE: Please call Mr. Russ Keller at Reclaim Filters & Systems & (919)528-1787 or send us an E-Mail.
Authorized Sales Distributor:Reclaim Filters & Systems